请登录 免费注册
分享
  • 微信
  • 新浪微博
  • 人人网
  • QQ空间
  • 开心网
  • 豆瓣
会员服务
进取版 标准版 尊贵版
| 设为首页 | 收藏 | 导航 | 帮助
产品 资讯
请输入产品名称
JUKI贴片机 单极霍尔开关 pcb设备 全方位海绵 无感电容 电源供应 MDD72-16N1B-IXYS二极管
关注微信随身推
首页 电子商城 专题报道 资料中心 成功案例
词多 效果好 就选易搜宝!
北京捷拓紫荆科技有限公司
新增产品 | 公司简介
注册时间:2005-11-01
联系人:
电话:
Email:
首页 公司简介 产品目录 公司新闻 技术文章 资料下载 成功案例 人才招聘 荣誉证书 联系我们

产品目录

晶闸管
HITACHI日立IGBT模块
GTR(达林顿)及场效应模块系列Darlington (GRT) and field effect module series
场效应模块MOSFET(MITSUBISHI、IR.、FUJI、SANREX、IXYS、三菱、西门子、西门康)
摩托罗拉GTR模块 MOTOROLA GTR module
西门康GTR模块 XiMenKang GTR module
东芝GTR(达林顿)模块 Toshiba GTR (darlington) module
三社GTR(达林顿)模块 SanRex GTR (darlington) module
日本三垦GTR(达林顿)模块 Sanken GTR (darlington) module
富士GTR(达林顿)模块 Fuji GTR (darlington) module
PRX厂家GTR(达林顿)模块 GTR PRX manufacturer (darlington) module
日本三菱GTR(达林顿)模块 Japan's mitsubishi GTR (darlington) module
IGBT模块系列 Series of IGBT module
英飞凌IGBT功率模块Infineon IGBT power module
优派克IGBT功率模块EUPECIGBT power module
西门子IGBT功率模块Siemens IGBT power module
ABB厂家IGBT功率模块
西门康IGBT模块 XiMenKang IGBT module
日本三垦IGBT模块 Sanken IGBT module
东芝IGBT高速型、东芝IGBT低导通压降型Toshiba IGBT type high-speed, Toshiba IGBT type low conduction voltage drop
富士IGBT模块\大功率IGBT模块 Fuji IGBT module, high power IGBT modules
日本三社厂家IGBT模块 Japan's SanRex IGBT module
三菱IGBT模块+单管IGBT Mitsubishi IGBT modules + single-tube IGBT
智能IGBT、IPM、PIM系列 Intelligent, IGBT, IPM, PIM series
东芝IPM功率模块Toshiba power module IPM
富士IPM功率模块Fuji IPM power module
三菱IPM功率模块
三菱智能IGBT功率模块Mitsubishi IGBT intelligent power module
整流桥系列 Series rectifier bridge
富士整流桥模块
普通整流二极管及快恢复二极管模块系列 Ordinary series rectifier diodes, fast recovery diode module
富士整流二极管
三菱整流二极管
可控硅模块系列 Series thyristor modules
IXYS可控硅模块IXYS thyristor modules
东芝可控硅模块Toshiba thyristor modules
富士厂家可控硅Fuji factory SCR
优派克可控硅模块Optimal parker thyristor modules
西门康可控硅模块XiMenKang thyristor modules
IR厂家可控硅模块IR manufacturer thyristor modules
SanRex日本三社厂家可控硅模块SanRex Japan three clubs thyristor module manufacturer
POWERSEM厂家可控硅模块POWERSEM thyristor module manufacturer
日本国际电子公司可控硅模块The Japan international electronics thyristor modules
三菱可控硅模块Mitsubishi thyristor modules
电子元器件、材料代理 Electronic components, materials agent
各进口品牌驱动电路、三菱智能模块IPM配套专用插座、光耦系列All import brand drive circuit, intelligent module IPM of mitsubishi s
电源模块系列 Power supply module series
进口电流电压传感器 To import the current voltage sensor
首页 >>> 技术文章 >

技术文章

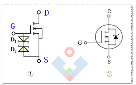
MOS场效应管中的二极管

说明:主要存在于单独MOS中,这三种叫法意思都一样。本文以NMOS来说明。

种类:

MOS场效应管中的二极管、寄生二极管、体二极管、保护二极管

分别作用:

  • ①主要保护GS极,限制Vgs间的*大电压。
  • ②其一:保护DS极,其二:起续流二极管作用,其三:为过流或电感提供反向通路,其四:防止D、S极接反、其五:隔离。

各自应用:防止反接

MOS场效应管中的二极管、寄生二极管、体二极管、保护二极管
MOS场效应管中的二极管、寄生二极管、体二极管、保护二极管
  • (1) 正接时,开始体二极管导通,“3”位置电压为0.6V左右,“1”位置电压为Vcc,Vgs > 阀值电压,Q1导通,体二极管被短路。反接时,Q1反偏,Vgs=0,电路不通。
  • (2) 正接时,体二极管导通,“2”位置电压为19.4V,“4”位置电压为0,Q2导通,然后体二极管被短路。反接时电路不通。
  • 注意:增强型NMOS加栅压后电场形成,电流的方向在D、S中是任意的。此处与通常的电子开关接法不一样,体二极管在电子开关中主要起关断作用。D、S在这两种应用中接法正好相反。

隔离作用:

MOS场效应管中的二极管、寄生二极管、体二极管、保护二极管

控制信号来自电源适配器处,当插上适配器时Q2截止,负载由适配器供电;当取下适配器时,栅极电压为0,Q2导通,此时由电池供电。

上一篇:二极管的代换技巧
下一篇:IGBT静态参数测试
            
若网站内容侵犯到您的权益,请通过网站上的联系方式及时联系我们修改或删除