请登录 免费注册
分享
  • 微信
  • 新浪微博
  • 人人网
  • QQ空间
  • 开心网
  • 豆瓣
会员服务
进取版 标准版 尊贵版
| 设为首页 | 收藏 | 导航 | 帮助
产品 资讯
请输入产品名称
JUKI贴片机 单极霍尔开关 pcb设备 全方位海绵 无感电容 电源供应 MDD72-16N1B-IXYS二极管
关注微信随身推
首页 电子商城 专题报道 资料中心 成功案例
词多 效果好 就选易搜宝!
北京安立文高新技术有限公司
新增产品 | 公司简介
注册时间:2005-11-02
联系人:
电话:
Email:
首页 公司简介 产品目录 公司新闻 技术文章 资料下载 成功案例 人才招聘 荣誉证书 联系我们

产品目录

光栅
多摩川编码器
SICK编码器
HONTKO编码器
PRECIZIKA编码器
HEDSS海德
日本Pro-face普洛菲斯
P+F倍加福编码器
邦纳产品
LHQ型编码器
安立文
SIKO编码器
松瑞气动
西门子
台达变频器
韩国Autonics奥托尼克斯编码器
丹佛斯电磁阀
OMRON编码器
台达系列
日本光洋koyo编码器
首页 >>> 技术文章 >

技术文章

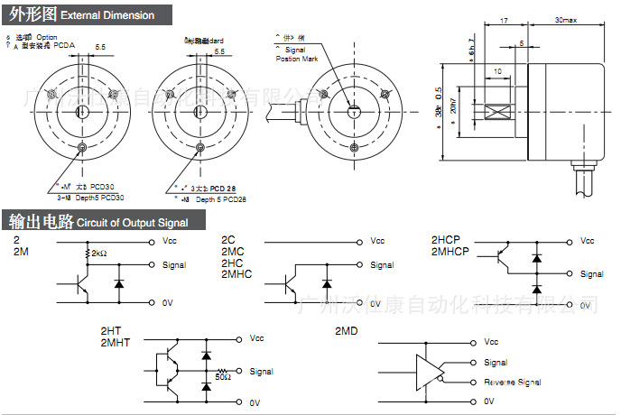
内密控OVW2-20-2MHC编码器主要技术参数

内密控OVW2-20-2MHC编码器主要技术参数

外径:38mm;

结构:实心轴型;

轴径:6mm;

脉冲:2000P/R;

供电电压:DC10.8-26.4V;

输出方式:NPN集电极开路输出;


内密控OVW2-20-2MHC编码器安装尺寸及输出电路图



内密控OVW2-20-2MHC编码器产地说明

内密控无锡制品说明


上一篇:编码器的精度计算
下一篇:日本光洋编码器
            
若网站内容侵犯到您的权益,请通过网站上的联系方式及时联系我们修改或删除