MFZ1-7直流干式阀用电磁铁 MFZ1-7,MFZ1-7YC
产品简介
MFZ1-7直流干式阀用电磁铁 用途 本系列电磁铁适用于单相桥式全波整流电源,电压至220V的控制电路中。在机床及自动化系统中,作为被压电磁换向阀的动力元件。
产品详细信息
MFZ1-7直流干式阀用电磁铁
额定电压:DC 24、110V
额定吸力:70N
额定行程:8mm
安装尺寸:60×60 mm
正常工作条件
可任意方向安装。
使用环境中应无足以腐蚀金属和破坏绝缘的气体和尘埃。否则,可能影响产品寿命。
电磁铁适用长期工作制、断续周期工作制。
电源电压的合理波动范围为85%-110%(特殊要求可订货时提出)。
外壳防护等级为IP55。
主要技术参数
订货代号
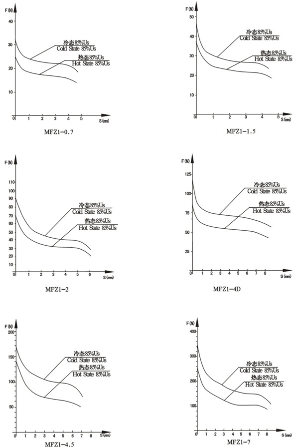
行程-力特性曲线

外形及安装尺寸

使用注意事项
电气控制系统与电磁铁连接部分之间应设有过流保护装置,以免非正常情况下,烧毁电磁铁及您的电控元件。
正常工作条件
可任意方向安装。
使用环境中应无足以腐蚀金属和破坏绝缘的气体和尘埃。否则,可能影响产品寿命。
电磁铁适用长期工作制、断续周期工作制。
电源电压的合理波动范围为85%-110%(特殊要求可订货时提出)。
外壳防护等级为IP55。
主要技术参数
|
型号
|
额定电压(V)
|
额定吸力(N)
|
额定行程(mm)
|
全行程(mm)
|
操作频率(T/h)
|
通电持续率%
|
|
MFZ1-0.7
|
12/24/110/220
|
≥7
|
4
|
≥5
|
3600
|
100
|
|
MFZ1-1.5
|
12/24/110/220
|
≥15
|
4
|
≥6
|
3600
|
100
|
|
MFZ1-2
|
12/24/110/220
|
≥20
|
5
|
≥6
|
3600
|
100
|
|
MFZ1-4.5
|
12/24/110/220
|
≥45
|
6
|
≥8.5
|
1800
|
100
|
|
MFZ1-4D
|
12/24/110/220
|
≥38
|
7
|
≥8.5
|
1800
|
100
|
|
MFZ1-7
|
12/24/110/220
|
≥70
|
7
|
≥10.5
|
1800
|
100
|
订货代号
|
阀用电磁铁
|
直流
|
设计序号
|
额定吸力(Kgf)
|
|
MF
|
Z
|
1
|
0.7/1.5/2/4.5/3.8(4D)/7
|
行程-力特性曲线

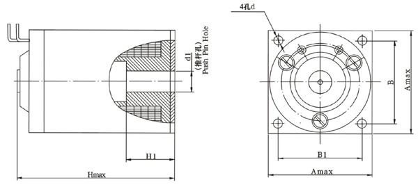
外形及安装尺寸

|
型号
|
外形尺寸
|
安装尺寸
|
d1
|
H1
|
||
|
A max
|
H max
|
B
|
D
|
|||
|
MFZ1-0.7
|
36.5
|
48.5
|
29±0.20
|
φ3.5
|
≥φ4
|
13.5±0.25
|
|
MFZ1-1.5
|
42.5
|
70
|
34±0.20
|
φ4.5
|
≥φ5
|
19±0.25
|
|
MFZ1-2
|
47.5
|
75
|
38±0.20
|
φ4.5
|
≥φ6
|
21±0.25
|
|
MFZ1-4.5
|
55.6
|
93
|
45±0.20
|
φ4.5
|
≥φ9
|
26.5±0.25
|
|
MFZ1-4D
|
55.6
|
93
|
45±0.20
|
φ4.5
|
≥φ9
|
26.5±0.25
|
|
MFZ1-7
|
72.6
|
106
|
60±0.20
|
φ6.5
|
≥φ13
|
26.5±0.25
|
使用注意事项
电气控制系统与电磁铁连接部分之间应设有过流保护装置,以免非正常情况下,烧毁电磁铁及您的电控元件。
公安机关备案号:


